L 3 Pro GECLEREE

Séances

Vendredi 23 septembre 13h-16h : 

Electricité : 

diviseur de tension, variations associées à une équation différentielle, régime transitoire bobine L + résistance R

Semaines calendaires 39 et 40   : 

Ensemble d’exemples à tester vous-même sur le PDf ci-dessous.

Je reste disponible à mon adresse e-mail

ou avec le formulaire de cette page : http://electrotech.psiamiens.site 

Il faudra penser à venir sur cette page sur laquelle je vais ajouter peu à peu après chaque séance des liens et/ou exemples

Plan complexe

Conjugués

Module

Mardi  11 octobre 15h-18h et lundi 17 octobre : 

Electricité : 

Impédance, régime transitoire, circuit RC ou RL, application aux moteurs

Sources de champ magnétique

FICHIER PDF à charger : 

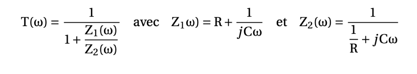
Filtre en électricité

La « fonction de transfert » T est le rapport des deux tensions (de sortie e  et d’entrée e  )

2

Exercices sur la notion d’impédance en électricité : 


http://public.iutenligne.net/electricite/piou/exercicelecpro/03_Impedances.pdf

Compléments :

Vendredi  21 octobre 14h-17h : 

Electricité : 

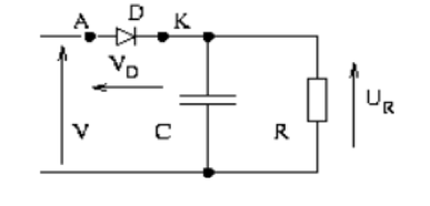
Redressement de tension alternative

Hachage d’une tension continue

Lundi 7 novembre 2022

Redresseurs (fin) + Hacheurs 

Questionnaire pour le samedi 5 novembre 2022 max 23h59

Réponse en PDF à mon adresse e-mail : vous pouvez faire un PDF en scannant avec votre téléphone, grâce à diverses applications gratuites ou payantes (Genius Scan, CamScanner, etc. ) mais utilisables gratuitement avec des limitations.

Cours du 7 Nov

Questionnaire corrigé

Lundi 14 novembre 2022

Electricité et application aux transformateurs et moteurs électriques + TD +  contrôle vendredi

Vendredi 18 novembre 2022

Suite des milieux magnétiques  +  contrôle continu sur les cours précédents + Devoir pour dimanche 20/11 en numérique (e-mail)

MOTEUR

Champ tournant avec « une » bobine 

Corrigé questionnaire 2

MOTEUR

Exemple de QCM : 

Date : vendredi 16 décembre 2022 à 9h

EXAMEN FINAL = épreuve de 50 minutes